产品目录
推荐文章
- 人工血管薄膜破裂强度测试仪---带高度尺
- 稳态法气体孔渗仪
- 有创血压电外科手术干扰测量工装-2
- 无创血压监护设备电外科干扰测量工装
- 塑胶跑道层面材料阻燃试验机
- 呼吸和排液装置的部件试验装置
- 踏步机耐久试验机
- 带弹性密封圈的电缆引入装置和导管密封装置
- 伞类产品抗风强度测试仪
- 床垫冲击试验机
联系我们
联系人:王经理
联系电话:13120992305
客服QQ:1552956819
公司地址:上海市松江区洞泾镇长兴东路1586号
警用防刺服防刺层厚度试验仪
更新时间:2025-07-01
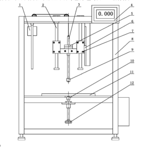
【产品简介】由主体框架、导向机构、砝码、上探测压头、下探测压头及显示屏等组成。
产品型号: JJ-F938
产品价格:电议
产品品牌:觐嘉
产品详情
执行标准:
GA 68-2024,附录A
技术参数:
由主体框架、导向机构、砝码、上探测压头、下探测压头及显示屏等组成。
控制系统:PLC
操作界面:彩色7寸触摸屏,中英文界面切换
主体框架采用金属材料制作;
测试方法:全自动升降,全自动测量,全自动得测试结果;
上、下探测压头:材料:不锈钢 直径φ10mm±0.1 mm,平行度为±0.05 mm,同轴度为±0.1mm,量程为200mm,精度为 0.1 mm。
砝码配重为 100g±1g
嵌入式打印机
USB接口
电源:220V 50HZ
基本配置:
主机一台,电源线一根,说明书/合格证/保修卡/铭牌一套


本文地址:/pdetail/2175.html
- 上一篇: 汽车密封条压缩变形量测试仪、激光压缩变形试验机
- 下一篇: 汽车玻璃刮水器耐久测试仪
相关文章
-
2025-12-15
人工血管薄膜破裂强度测试仪,硬脑(脊)膜···
-
2025-12-15
概述:稳态法气体孔渗仪是在室温条件下测···
-
2025-12-15
用 &···
-
2025-12-15
用 &···
-
2025-12-13
塑胶跑道层面材料阻燃试验机(氧指数测定法···
-
2025-12-13
一、概述:呼吸装置和排液装置是根据GB···
-
2025-12-12
一、介绍踏步机耐久试验机是模拟消费者···
-
2025-12-12
一、概述: 带弹性密封圈的电···
-
2025-12-12
一、核心功能与技术原理伞类产品抗风强···
-
2025-12-11
产品说明:主要用于评估床垫内置弹簧、弹簧···
13120992305


