产品目录
推荐文章
- 呼吸脉冲发生器
- 气管套囊综合性测试仪
- 正畸矫治器用膜片耐磨耗测试仪
- 真空搅拌脱泡机
- 高压纳米均质机、高压均质机
- 防锈脂吸氧测定仪
- 发动机冷却液铝泵气穴腐蚀特性测定仪
- 全自动润滑脂高温轴承寿命测试仪
- 管状血管移植物长度测量装置
- 低温鞋底弯曲试验机
联系我们
联系人:王经理
联系电话:13120992305
客服QQ:1552956819
公司地址:上海市松江区洞泾镇长兴东路1586号
呼吸湿化设备湿化输出测试仪,湿度测试工装,湿度测试系统
更新时间:2025-12-08产品型号:JJ-B369
产品价格:电议
产品品牌:觐嘉
产品详情
呼吸湿化设备湿化输出测试仪/湿度测试工装
一、概述:
湿度测试工装主要测试湿化器的湿化输出。
二、技术参数:
参数 | 规格 |
操作系统 | PLC+Windows |
操作界面 | 笔记本电脑 |
标准温度传感器 | 热敏电阻温度传感器;在温度25℃~45℃时精度为±0.2℃ |
测试温度范围 | RT ~50℃ |
温度探头规格 | φ3.18*6mm |
气体流量计 | 0~150L/min 精度:±2% 气体输入输出口径为22mm |
天平 | 量程:10kg 精度:0.1g 带通讯(选配) |
电源 | AC220V 50Hz 功率:250W |
仪器规格 | 360*360*400mm |
三、执行标准
YY9706.274-2022 《医用电气设备 第2-74部分:呼吸湿化设备的基本安全和基本性能要求》
四、仪器特征
1.便携式终端处理系统包括软件测试与分析系统:
采用便携式笔记本电脑,操作简单直观方便,软件系统采用Windows10系统,试验报告可以多种格式输出如EXCL、PDF等
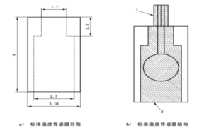
2.标准温度传感器
1在水中以1m/s的流量实现22℃阶跃到37℃时,0.5s<温度传感器时间常数<1.0s;
2环境温度对传感器精度的影响<0.01℃/1℃。
3传感器构造:
A.1根6mm长的外径为3.18mm的铜管。内径宜为热敏电阻珠留出足够的间隙。按照下图中给出的尺寸且热传导率>386W/(m·K)的任何材料。热敏电阻在25℃~45℃(在等温混合的空气或水中)之间,精度为±0.2℃。供应商通常具有在25℃时阻值2252Ω的热敏电阻。
B.热敏电阻的电导线宜是#32规格的镀锡铜线,长度至少为60mm[包含其他热传导率180W/(m·K)的材料]。热敏电阻的电导线宜被套上以实现电气绝缘和热隔离。热塑管达到了两个目的,包含任何热传导率<0.02W/(m·K)的电绝缘材料。
4尺寸:符合下图单位:毫米

五、配置清单
主机1台;
说明书1份
合格证1份
保修卡1份
签收单1份
铭牌1块
电源线1根
扳手1套
配套输出接头 22M/22F (可选配其他规格)
笔记本电脑 1台选配
电子天平 1台选配
标准温度传感器 2个
数据通讯线1套

本文地址:/pdetail/2441.html
- 上一篇: 声洁牙机振幅测试工装
- 下一篇: 手动定位工装
相关文章
-
2026-04-01
呼吸脉冲发生器一、 概述:呼吸···
-
2026-04-01
气管套囊综合性测试仪 一、产品···
-
2026-03-31
···
-
2026-03-31
真空搅拌脱泡机一、产品介绍以及特点产···
-
2026-03-31
高压纳米均质机、高压均质机 ···
-
2026-03-31
防锈脂吸氧测定仪一、产品介绍以及特点···
-
2026-03-31
发动机冷却液铝泵气穴腐蚀特性测定仪一、···
-
2026-03-31
全自动润滑脂高温轴承寿命测试仪一、介绍···
-
2026-03-30
管状血管移植物长度测量装置一、产品介绍···
-
2026-03-30
低温鞋底弯曲试验机概述:低温鞋底弯曲试验···
13120992305


